Hall Effect Sensor Voltage Converter

Hall Effect Sensors Working Types And Applications Hall Effect Sensor Application

Hall Effect Sensors Working Types And Applications Hall Effect Sensor Application

Hall Effect Sensor And How Magnets Make It Works

Hall Effect Sensor And How Magnets Make It Works

Hall Effect Sensor Arduino Program

Hall Effect Sensor Arduino Program

Digital Omnipolar Switch Hall Effect Sensor Eeweb

Digital Omnipolar Switch Hall Effect Sensor Eeweb

Using Hall Effect Sensors Detecting Alternating Current

Using Hall Effect Sensors Detecting Alternating Current

Linear Hall Effect Sensor Working And Application Circuit Homemade Circuit Projects

Linear Hall Effect Sensor Working And Application Circuit Homemade Circuit Projects

Linear Hall Effect Sensor Working And Application Circuit Homemade Circuit Projects

The a1360 linear hall effect sensor is typically placed in the gap of a ferromagnetic toroid which surrounds each inverter phase conductor in the motor figure 2.

Hall effect sensor voltage converter.

The gear tooth hall effect sensor fig. 6 is another type of digital on off sensing device. Compactly fits an explosion proof elby 50 or 75 enclosure. The circuit is turned on which completes the ground leg from the load.

Power inputs can be configured for either a 2 wire or 3 wire power supply. Its operation relies on the hall effect shown in figure 1 a where current i flowing through a conductor in the presence of an applied magnetic field b generates a transverse hall voltage u h that is a function of the current the magnetic field the thickness. Check the size of the air gap g between the sensor and the trigger wheel g 0 8 1 5 mm 0 03 0 06 inch. The drv5055 is a linear hall effect sensor that responds proportionally to magnetic flux density.

Model 4026 as freq to voltage signal converter can be configured with 0 5 v or 0 10 v ftv output. 1 if the drive current in an open loop system is controlled using a constant current source and the differential hall voltage is amplified an output voltage proportional to the primary current only. This cycle is repeated to create the digital signal from the shielded field hall effect sensor. Illustration of the basic principle and structure of the hall effect open loop current sensor.

For clarity the original effect is sometimes called the ordinary hall effect to distinguish it from other hall effects which have. These adapters output a 0 12 v pulsed speed signal that matches the frequency of the signal produced by a magnetic vr inductive sensor or two wire hall effect sensor. The hall effect is the production of a voltage difference the hall voltage across an electrical conductor transverse to an electric current in the conductor and to an applied magnetic field perpendicular to the current. Download frequency to voltage converter specs.

Hall effect sensor check the power supply to the sensor. Connecting magnetic vr inductive sensors and two wire hall effect sensors to the cortex ebc will require the use of a speed sensor adapter. Hall effect sensors are the most common type of magnetic current sensor. The a1360 hall transducer provides an output voltage proportional to this current.

Spectec s signal converters match an array of digital hall effect active magnetic speed sensors or passive magnetic speed sensors and operate in environments with a wide temperature range. It was discovered by edwin hall in 1879. Model 4028 frequency to voltage converters changes the frequency output of any magnetic speed sensor or hall effect speed sensor into a proportional 0 10v or 0 5v output signal. Also this operation can be performed and when the connector of the sensor is plugged in.

Thus the signal voltage drops very close to ground. The device operates from 3 3 v or 5 v power supplies.

Pn Hdl47 420 This Hall Effect Speed Sensor Provides Three Separate Outputs Signal 1 Is A Digital Square Wave For Measuring Sp In 2020 Hall Effect Sensor Directions

Pn Hdl47 420 This Hall Effect Speed Sensor Provides Three Separate Outputs Signal 1 Is A Digital Square Wave For Measuring Sp In 2020 Hall Effect Sensor Directions

How To Build A Hall Effect Sensor Circuit

How To Build A Hall Effect Sensor Circuit

Tmp36 Temperature Sensor In 2020 Sensor Temperatures Circuit

Tmp36 Temperature Sensor In 2020 Sensor Temperatures Circuit

A3144 Hall Effect Sensor Module Pinout Specs Features Circuit

A3144 Hall Effect Sensor Module Pinout Specs Features Circuit

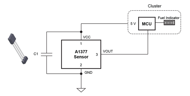
Fuel Level Sensor Using Hall Effect Sensor Ics

Fuel Level Sensor Using Hall Effect Sensor Ics

Interfacing Acs712 Current Sensor With Arduino Measure Current With Arduino Measuring Current With Arduino In 2020 Arduino Sensor Arduino Circuit

Interfacing Acs712 Current Sensor With Arduino Measure Current With Arduino Measuring Current With Arduino In 2020 Arduino Sensor Arduino Circuit

Current Sensing Theory Nk Technologies

Current Sensing Theory Nk Technologies

Allegro Hall Effect Sensor Ics

Allegro Hall Effect Sensor Ics

Non Intrusive Hall Effect Current Sensing Techniques Provide Safe Reliable Detection And Protection For Power Electronics

Non Intrusive Hall Effect Current Sensing Techniques Provide Safe Reliable Detection And Protection For Power Electronics

Download Scientific Diagram 9 Volt Dual Power Supply Circuit Using Icl7660 Voltage Converter From Publi Power Supply Circuit Voltage Converter Power Supply

Download Scientific Diagram 9 Volt Dual Power Supply Circuit Using Icl7660 Voltage Converter From Publi Power Supply Circuit Voltage Converter Power Supply

Ad Ebay Url Usb Nano V3 0 Atmega328p Ch340g 5v 16m Micro Controller Board For Arduino Rfchp Arduino Usb Hygrometer

Ad Ebay Url Usb Nano V3 0 Atmega328p Ch340g 5v 16m Micro Controller Board For Arduino Rfchp Arduino Usb Hygrometer

Analysis Of A Hall Effect System With Two Linear Sensor Ics For 30 Mm Displacement

Analysis Of A Hall Effect System With Two Linear Sensor Ics For 30 Mm Displacement

Sound Detection Sensor Module Internal Circuit Diagram In 2020 Sensor Detection Circuit Diagram

Sound Detection Sensor Module Internal Circuit Diagram In 2020 Sensor Detection Circuit Diagram

Motor Speed Control Using Hall Effect Sensors Ee Times Europe

Motor Speed Control Using Hall Effect Sensors Ee Times Europe

Digital Multimeter Circuit Using Pic Microcontroller In 2020 Multimeter Analog To Digital Converter Pic Microcontroller

Digital Multimeter Circuit Using Pic Microcontroller In 2020 Multimeter Analog To Digital Converter Pic Microcontroller

Flux Gate Current Transformer Ohms Law Hall Effect

Flux Gate Current Transformer Ohms Law Hall Effect

Dc To Ac Converter 12v To 220v Voltage Converter Ac Circuit Digital Device Management

Dc To Ac Converter 12v To 220v Voltage Converter Ac Circuit Digital Device Management

How To Use Hall Sensor With Avr Microcontroller Atmega16 Electronics Circuit Hall Effect Microcontrollers

How To Use Hall Sensor With Avr Microcontroller Atmega16 Electronics Circuit Hall Effect Microcontrollers

Https Encrypted Tbn0 Gstatic Com Images Q Tbn 3aand9gcqlovrwicgys7ld0l7d5dcjoakwklq6qren Km3l271jn8joorr Usqp Cau

Https Encrypted Tbn0 Gstatic Com Images Q Tbn 3aand9gcqlovrwicgys7ld0l7d5dcjoakwklq6qren Km3l271jn8joorr Usqp Cau

Raindrop Sensor Module Circuit Diagram In 2020 Sensor Arduino Sensors Analog To Digital Converter

Raindrop Sensor Module Circuit Diagram In 2020 Sensor Arduino Sensors Analog To Digital Converter

How To Use Hall Sensor With Avr Microcontroller Atmega16 Circuit Diagram Microcontrollers Electronics Circuit

How To Use Hall Sensor With Avr Microcontroller Atmega16 Circuit Diagram Microcontrollers Electronics Circuit

Pin On Sensors

Pin On Sensors

Latching Switch Hall Effect Ic Basics

Latching Switch Hall Effect Ic Basics

Icl7660 Pinout Dc Dc Converter Voltage Regulator Application Note

Icl7660 Pinout Dc Dc Converter Voltage Regulator Application Note

Source : pinterest.com